Technisch ontwerp
Professioneel ontwerp en technische tekeningen die voldoen aan uw eisen
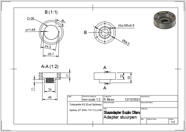
Van idee naar realiseerbaar product: een technisch ontwerp vertaalt een functioneel idee of concept naar een gedetailleerde, uitvoeringsgerichte uitwerking met vastgelegde specificaties, materialen, technologieën en validatie.
Het ontwerp wordt opgeleverd als 3D CAD model/object, of wordt uitgwerkt tot een technische tekening geschikt voor productie.
Laten we samenwerken aan uw project
Bent u op zoek naar een betrouwbare engineering partner? Neem dan contact met ons op voor de mogelijkheden.






